平等互利,相互協作,在持續合作中共同發展。
COMMITTED TO PROVIDING YOU WITH ONE-STOP SERVICE
維替工業技術有限公司(以下簡稱 W&T)是德國優質的閥門制造商之一,是一家具有典型德國傳統基因的企業,歷史悠久且運營成功。公司可追溯 1918 年建于法蘭克福,專業生產以自動控制調節閥為代表的全系列閥門產品,主要應用在高溫高壓、易沖蝕、腐蝕等苛刻工況。W&T 擁有新的高度專業化的工程人員和生產設備,始終堅持以“用戶滿意”為宗旨,從技術交流、產品選型、合同履行、圖紙交接、出國驗收、人員培訓、維護保養、備件供應等產品的全壽命周期,不斷總結和積累經驗,已經形成了全壽命周期的高品質服務體系,贏得了客戶的廣泛認可。并于大學和專業機構在材料開發、流體力學、閥門系統設計和生產領域展開合作。
專享VIP客戶服務專線R & Service lines
專屬技術工程師Technical Engineer
成熟的行業解決方案Industry solutions
售后服務專業快捷After-sale service
1.專享VIP客戶服務專線---讓您的溝通無需等待 為VIP客戶設立固定的專線電話和專職的VIP客戶電話支持經理,專一負責為您提供技術咨詢及問題解決。
更快的報價響應 設置固定的專業工程師,確保其盡可能地全方面了解、熟悉并準確掌握VIP的使用環境和需求習慣等,為VIP客戶提供高質量、高效率的專業增值服務,并創造價值。
強大的VIP專屬、專業工程師團隊準確分析問題根源,并定制適合專屬的行業解決方案。
設立專線客服對接售后服務,貨期享受優先供應,及時協調VIP客戶的物流方向。
維替工業技術有限公司(以下簡稱W&T)是德國經典的閥門制造商之一,是一家具有典型德國傳統基因的企業,歷史悠久且運營成功。公司可追溯1918年建于法蘭克福,專業生產以自動控制調節閥為代表的全系列閥門產品,主要應用在高溫高壓、易充蝕、腐蝕等苛刻工況下。
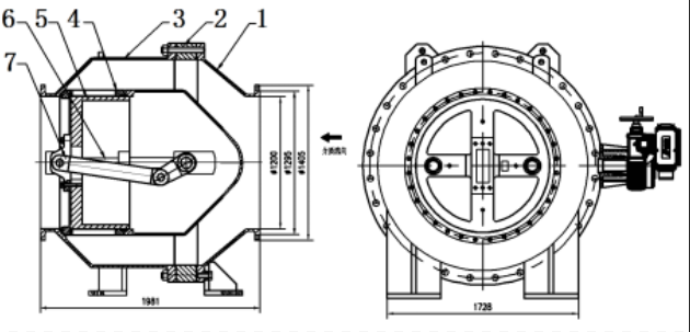
公司主營產品包括截止閥、閘閥、止回閥等關斷閥門,并且公司擁有自己的鑄造工廠。
工業控制閥年產
為客戶不同工況提供整體解決方案
公司 1918 年建于法蘭克福
我司配備專業技術人才


















平等互利,相互協作,在持續合作中共同發展。
電話: 155-8887-9032
郵箱: sales@wtflowcontrol.com
地址: 山東濟南市市中區凱瑞大廈1206-1208
德國維替工業技術有限公司-亞太中心 網站備案號:魯ICP備20029659號聲明:網上部分信息來源網絡若有侵權或違禁請告知我們立即刪除 技術支持:永誠網絡